百度




















JINPAT High-Current Integrated Slip Rings: Delivering Robust Power and Signal Transmission for Heavy Industry
Ensuring Reliable Performance During Continuous 360° Rotation
JINPAT high-current integrated slip rings are specifically engineered to provide stable, high-capacity power transmission alongside high-precision signal transmission. By integrating high-power channels with sensitive signal circuits within a single, compact structure, JINPAT offers a streamlined and efficient solution for complex industrial systems that demand both high-load energy supply and seamless data flow.
Core Technical Advantages
Ultra-High Power Capacity: Supports current loads of up to 4000A, ensuring high-performance power transmission for heavy-duty machinery and equipment.
Carbon Brush Technology: Utilizes premium materials and a durable carbon brush design to achieve extremely low contact resistance, reduced friction, and exceptionally smooth rotational operation.
Compact Integrated Design: Efficiently consolidates power and signal circuits, significantly saving installation space while ensuring robust electrical isolation.
Built for Harsh Environments: Meticulously designed to ensure an extended service life and stable electrical performance, excelling even under conditions of intense vibration and in the most challenging industrial settings.
Fully Customized Solutions
We understand that every application scenario is unique. JINPAT offers flexible customization services to precisely meet your specific technical specifications:
Circuits & Capacity: Tailored current ratings and circuit configurations.
Environmental Protection: Adjustable ingress protection (IP) ratings and operating temperature ranges.
Mechanical Specifications: Optimized rotational speeds and specialized mounting structure designs.
Industrial Application Fields
With over 30 years of manufacturing excellence, JINPAT has established itself as a trusted partner within the industrial sector:
Energy & Marine: Offshore oil and gas platforms, marine scientific research equipment, and seismic exploration systems.
Heavy Machinery: Marine engineering equipment, ship-mounted cranes, and port machinery.
Infrastructure: Oil drilling rigs and large-scale industrial automation systems.
Typical Applications: Oil Drilling Rigs | Port Machinery | Marine & Crane Systems | Marine Engineering Equipment
LPA Series Specifications | ||||||||||||||
Series No. | Max IP Grade | Explosion-proof | Outlet Way | Rotor/Stator Installation Method | ||||||||||
Round Series 1 | IP68 | YES | with/without wire | design by customer's request | ||||||||||
Round Series 2 | IP68 | YES | with wire | / | ||||||||||
Round Series 3 | IP54/IP51 | NO | with/without wire | / | ||||||||||
Square Series 1 | IP68 | YES | with/without wire | / | ||||||||||
Square Series 2 | IP54 | NO | with/without wire | / | ||||||||||
Square Series 3 | IP68 | NO | with wire | / | ||||||||||
LPA Round Series | ||||||||||||||
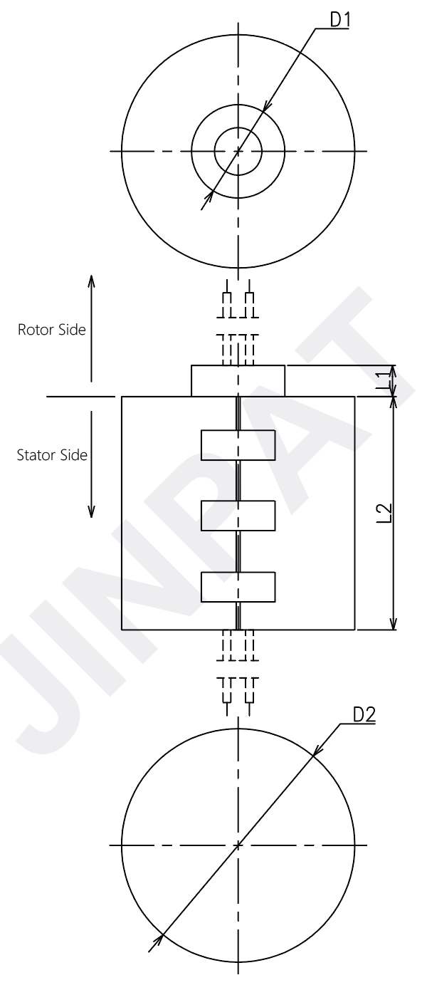
Dimension | Circuits | Rating Current(optional) | Max Rated Voltage | Round Series(optional) | ||||||||||
| D1 | D2 | L1 | L2 | Optional | 60A | 100A | 130A | / | 690V | Series 1 | Series 2 | Series 3 | ||
| 300 | 300 | according to circuits and other specifications | Optional | √ | √ | √ | ||||||||
| 350 | 350 | Optional | 95A | 150A | 260A | / | √ | √ | √ | |||||
| 450 | 450 | Optional | 150A | 250A | 340A | / | √ | √ | √ | |||||
| 500 | 500 | Optional | 220A | 370A | 500A | / | √ | √ | √ | |||||
| 560 | 560 | Optional | 220A | 370A | 500A | / | √ | √ | √ | |||||
| 720 | 720 | Optional | 300A | 500A | 680A | 850A | √ | √ | √ | |||||
Round Series1 | Round Series2 | Round Series3 | ||||||||||||
| ![]() | ![]() | ||||||||||||
LPA Square Series | ||||||||||||||
Dimension | Circuits | Rating Current(optional) | Max Rated Voltage | Square Series(optional) | ||||||||||
| W2 | L2 | L1/D1 | W1 | H1 | H2 | Optional | 60A | 100A | 130A | / | 690V | Series 1 | Series 2 | Series 3 |
| 300 | 300 | according to circuits and other specifications | Optional | √ | √ | √ | ||||||||
| 350 | 350 | Optional | 95A | 150A | 260A | / | √ | √ | √ | |||||
| 450 | 450 | Optional | 150A | 250A | 340A | / | √ | √ | √ | |||||
| 500 | 500 | Optional | 220A | 370A | 500A | / | √ | √ | √ | |||||
| 560 | 560 | Optional | 220A | 370A | 500A | / | √ | √ | √ | |||||
| 720 | 720 | Optional | 300A | 500A | 680A | 850A | √ | √ | √ | |||||
Square Series1 | Square Series2 | Square Series3 | ||||||||||||
![]() | ![]() | ![]() | ||||||||||||
total 0 Sheet,Only 5 images can be uploaded, each less than 5m.